8 Figure Bline
Standard: ASNI/ASTM B16.5 / 16.36/16.47A/16.47B B2220 – 2001,
DIN2527/2636/2637/2638/2566/2576/2633/2635/2642/2653/2655.
Pressure Rate: 150LBS to 2500LBS / PN10 to PN400
Dimension: 1/2" to 48"
Material: Carbon steel, Alloy Steel, Stainless steel.
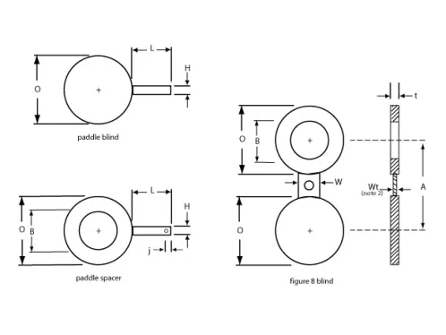
A figure 8 blind is a straightforward valve that is bolted into place in the space between two flanges. Figure 8 blind flange has two sides: an open side, referred to as a spacer, and a blanked or blinded side, covered with a spade.
Specification
Standard: ASNI/ASTM B16.5 / 16.36/16.47A/16.47B B2220 – 2001, DIN2527/2636/2637/2638/2566/2576/2633/2635/2642/2653/2655.
Pressure Rate: 150LBS to 2500LBS / PN10 to PN400
Dimension: 1/2" to 48"
Material: Carbon steel, Alloy Steel, Stainless steel.
Sealing type: RF, FF, MFM, TG, RTJ
Pressure rating:
class 150LBS、300LBS、400LBS、600LBS、900LBS、1500LBS、2500LBS
Dimensions:
ANSI B16.5, ANSI B16.47, MSS SP44, ANSI B16.36, ANSI B16.48, API 605, AWWA AND DRAWING

Factors to consider when choosing the right Figure 8 blind flange
There are several factors to consider when choosing the right cobra blind flange for your piping system. These include
Material
The material of the flange should be compatible with the material of the piping and the fluid or gas being transported.
Size
The size of the flange should match the size of the piping to ensure a secure and leak-free connection.
Pressure Rating
Flanges should be rated to withstand the maximum pressure of the piping system.
Temperature Ratings
Flanges shall be rated to withstand the maximum temperature of the piping system.
Corrosion Resistance
Flanges should be corrosion-resistant to ensure that they will not corrode over time, leading to leaks and other safety hazards.
















